环保之家论坛

 找回密码
 立即注册

QQ登录

只需一步,快速开始

搜索
热搜: 活动 交友 discuz
查看: 685|回复: 0

清洁生产审核评估与验收指南

[复制链接]

570

主题

16

回帖

2312

积分

金牌会员

Rank: 6Rank: 6

积分
2312
发表于 2025-12-3 14:21:42 | 显示全部楼层 |阅读模式
清洁生产审核评估与验收指南

第一章    
第一条  为科学规范推进清洁生产审核工作,保障清洁生产审核质量,指导清洁生产审核评估与验收工作,根据《中华人民共和国清洁生产促进法》和《清洁生产审核办法》(国家发展和改革委员会、环境保护部令第38号),制定本指南。
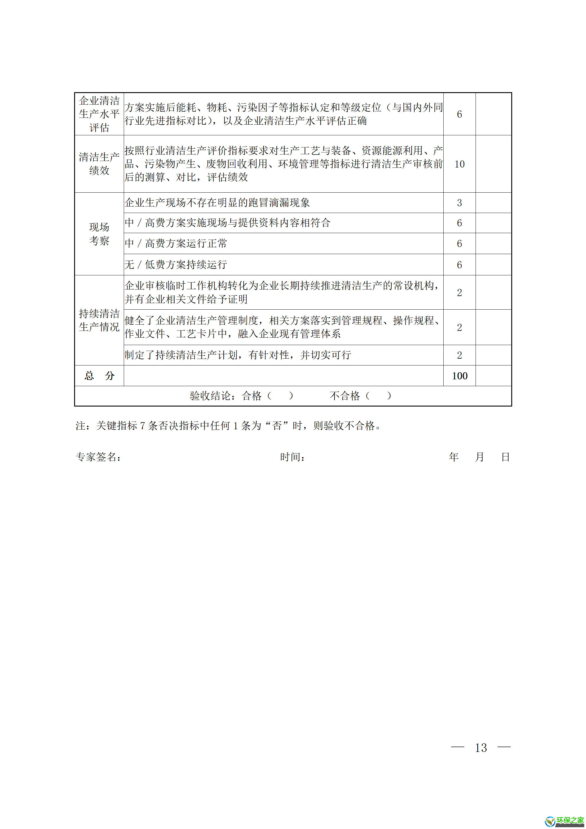
第二条  本指南所称清洁生产审核评估是指企业基本完成清洁生产无/低费方案,在清洁生产中/高费方案可行性分析后和中/高费方案实施前的时间节点,对企业清洁生产审核报告的规范性、清洁生产审核过程的真实性、清洁生产中/高费方案及实施计划的合理性和可行性进行技术审查的过程。
本指南所称清洁生产审核验收是指按照一定程序,在企业实施完成清洁生产中/高费方案后,对已实施清洁生产方案的绩效、清洁生产目标的实现情况及企业清洁生产水平进行综合性评定,并做出结论性意见的过程。
第三条  本指南适用于《清洁生产审核办法》第二十条规定的“国家考核的规划、行动计划中明确指出需要开展强制性清洁生产审核工作的企业”和“申请各级清洁生产、节能减排等财政资金的企业”以及从事清洁生产管理活动的部门,其他需要开展清洁生产审核评估与验收的企业可参照本指南执行。
第四条  清洁生产审核评估与验收应坚持科学、公正、规范、客观的原则。
第五条  地方各级环境保护主管部门或节能主管部门组织清洁生产专家或委托相关单位,负责职责范围内的清洁生产审核评估与验收工作。

第二章  清洁生产审核评估
第六条  地市级(县级)环境保护主管部门或节能主管部门按照职责范围提出年度需开展清洁生产审核评估的企业名单及工作进度安排,逐级上报省级环境保护主管部门或节能主管部门确认后书面通知企业。
第七条  需开展清洁生产审核评估的企业应向本地具有管辖权限的环境保护主管部门或节能主管部门提交以下材料:
(一)《清洁生产审核报告》及相应的技术佐证材料;
(二)委托咨询服务机构开展清洁生产审核的企业,应提交《清洁生产审核办法》第十六条中咨询服务机构需具备条件的证明材料;自行开展清洁生产审核的企业应按照《清洁生产审核办法》第十五条、第十六条的要求提供相应技术能力证明材料。
第八条  清洁生产审核评估应包括但不限于以下内容:
(一)清洁生产审核过程是否真实,方法是否合理;清洁生产审核报告是否能如实客观反映企业开展清洁生产审核的基本情况等。

1.png
2.png
3.png
4.png
5.png
6.png

详细附件下载:
游客,如果您要查看本帖隐藏内容请回复

回复

使用道具 举报

您需要登录后才可以回帖 登录 | 立即注册

本版积分规则

QQ|Archiver|手机版|小黑屋|环保之家论坛 ( 粤ICP备20048911号 )

GMT+8, 2026-5-6 19:33 , Processed in 0.267385 second(s), 22 queries .

Powered by Discuz!

© 2020-2024 环保之家www.ep-home.cn.

快速回复 返回顶部 返回列表